服务热线
0769-28680919
153-2293-3971 / 177-0769-6579
环形光源产品特点:
1、提供0-90°等不同照射角度
2、高密度LED阵列,提供高亮度和高指向性的照明
3、突出物体的三维信息,有效解决对角照射阴影问题
4、表面采用特殊散热设计,延长光源使用寿命
环形光源应用领域:
1、PCB基板检测,塑胶容器检测
2、电子元件检测,集成电路字符检测
3、显微镜照明,通用外观检测
4、LC芯片外观及字符检测
5、各种外观缺陷检测
6、二维码和字符读取识别
性能参数:


产品系列选型表:


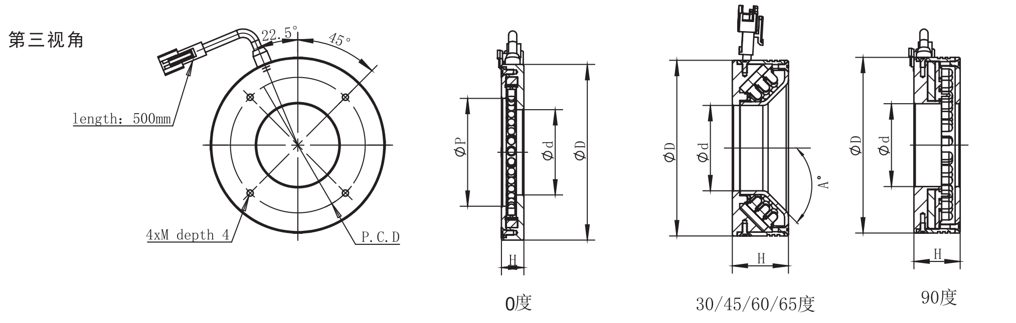
尺寸示意图:

官方公众号
官方抖音号Copyright © 2022 香港2025年六台盒宝典下载版权所有.机器视觉系统 粤ICP备2022020204号-1 联系我们 | 网站地图